网站首页
关于我们
新闻动态
产品展示
荣誉资质
消防产品认证证书
成功案例
联系我们
PTODUCT
产品展示
风机箱
轴流风机
屋顶风机
离心通风机
射流风机
诱导、静音风机
风口系列
风阀系列
防排烟阀系列
消声器系列
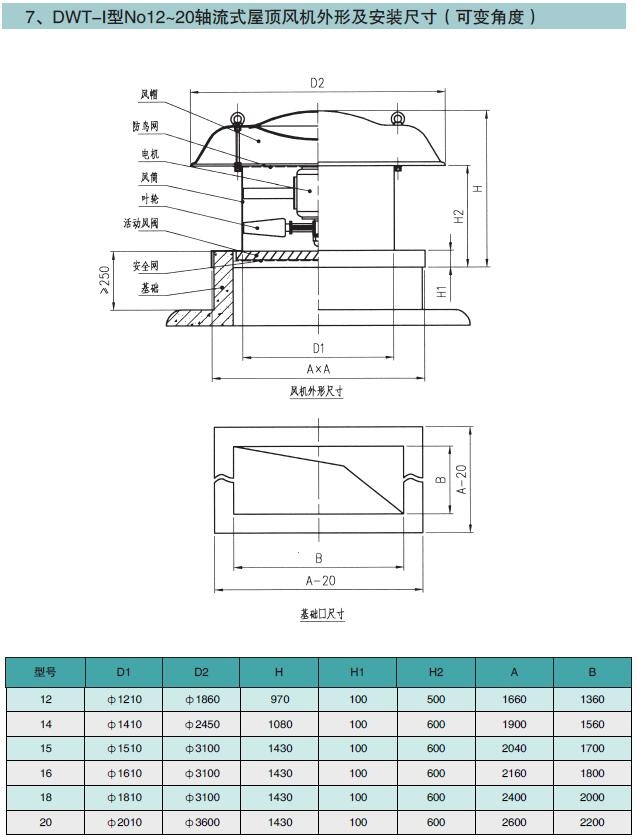
DWT-Ⅰ型轴流式屋顶风机
下一篇:
DWT-II、III型离心式屋顶风机
友情链接:
百度